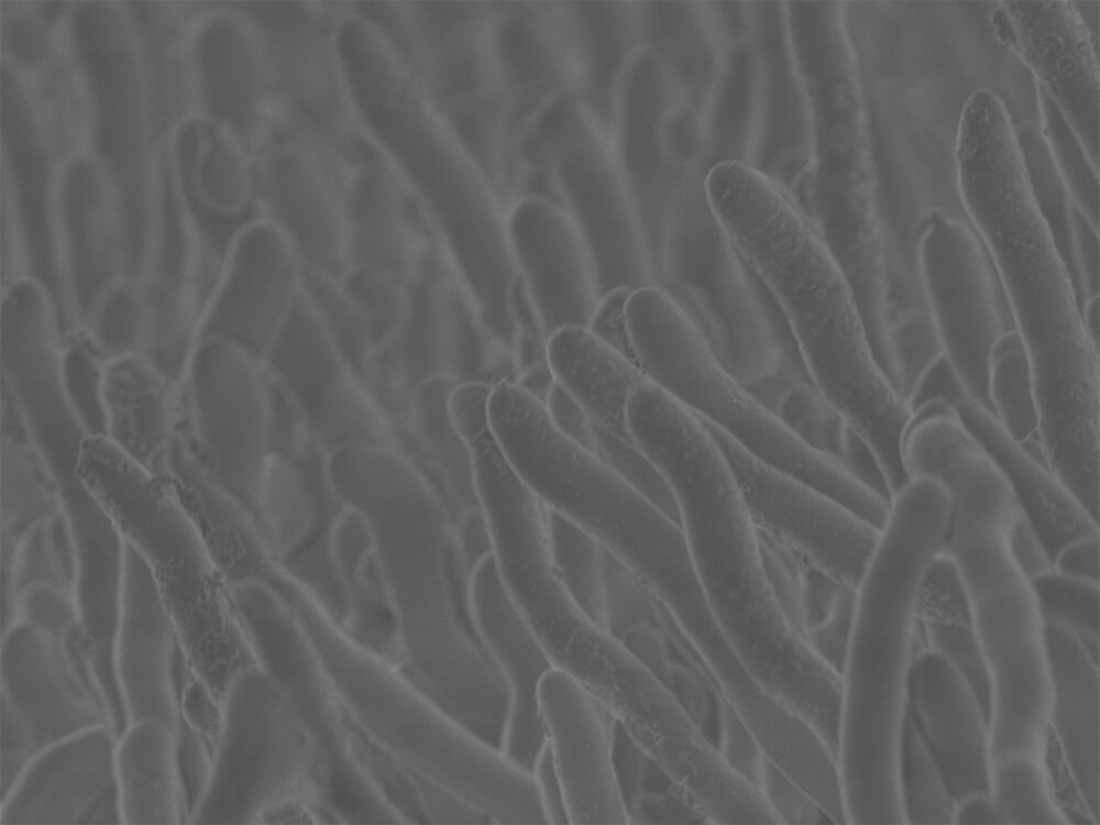
Lactic Acid Bacteria Ultra-low landing voltage SEM image SEI / Beam deceleration(BD)
Biology / Life science
After chemical fixation with glutaraldehyde and osmium tetroxide, dehydration and freeze-drying were performed. Osmium coating was used for conductive treatment.
| Application | SEI / Beam deceleration(BD) |
|---|---|
| Preprocessing | biological specimen preparation |
| Magnification | x50,000 |
| Shooting conditions | Acceleration voltage 0.8kV, High vacuum mode |
| Related product | JSM-IT800 Schottky Field Emission Scanning Electron Microscope |
Related data
Are you a medical professional or personnel engaged in medical care?
No
Please be reminded that these pages are not intended to provide the general public with information about the products.
