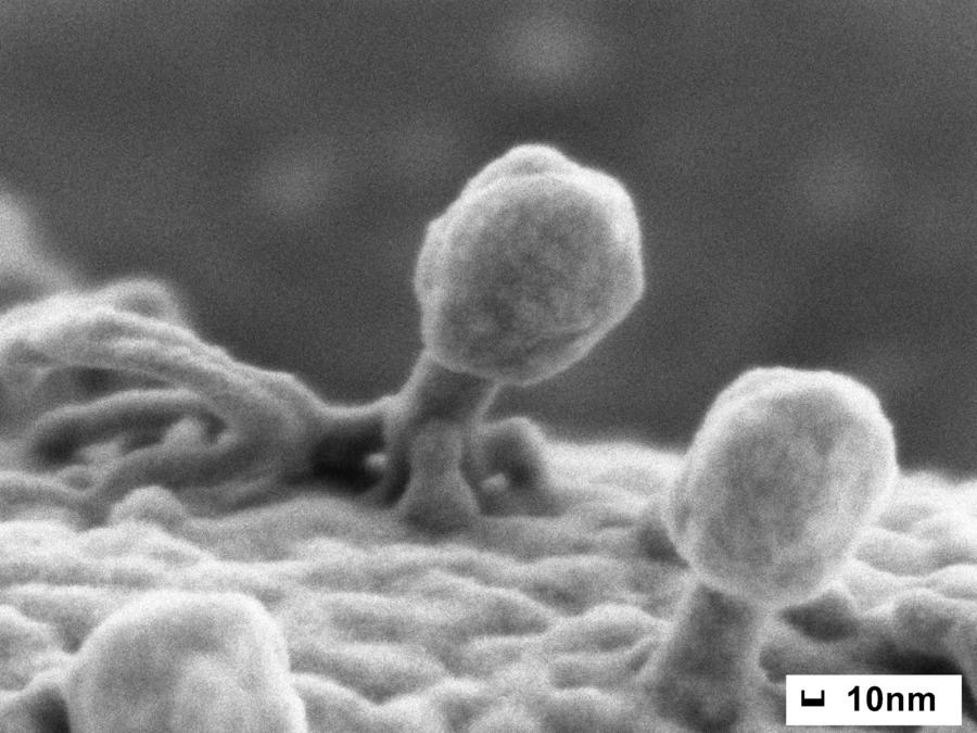
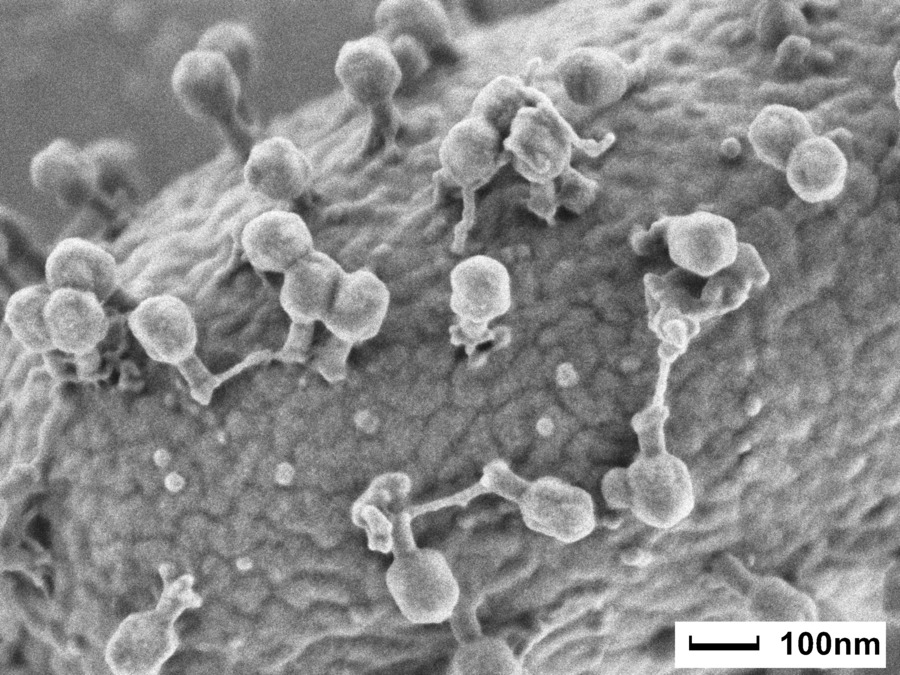
Bacteriophage T4 adsorbed to Escherichia coli Ultra-low landing voltage SEM image SEI / Beam deceleration(BD)
Biology / Life science
After chemical fixation with glutaraldehyde and osmium tetroxide, dehydration and critical point drying were performed. Osmium coating was used for conductive treatment.
Since we observed at an ultra-low landing voltage of 0.4 kV, the bacteriophage T4 adsorbed to the Escherichia coli can be observed without the electron beam penetrating the sample.
| Application | SEI / Beam deceleration(BD) |
|---|---|
| Preprocessing | biological specimen preparation / coating |
| Magnification | x30,000 |
| Shooting conditions | Acceleration voltage 0.4 kV, High vacuum mode |
| Related product | JSM-IT800 Schottky Field Emission Scanning Electron Microscope |
Related data
Are you a medical professional or personnel engaged in medical care?
No
Please be reminded that these pages are not intended to provide the general public with information about the products.
